Полезные статьи
Читать все статьиТСУ Oris на Peugeot Partner 08-19
Характеристики товара
Страна происхождения:
РОССИЯ
Марка (бренд):
Единица измерения:
шт
Остаток на складе:
1
Доступность:
в наличии
15 000 ₽
12 450
₽
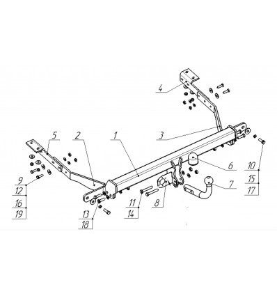
Фаркоп на Citroen Berlingo L1,L2 длина базы 4380/4680 мм 2008-2018, Peugeot Partner II L1,L2 длина базы 4380/4680 мм 2008-2018, Opel Combo L1 2018-, Peugeot Rifter L1 2019-, Citroen Berlingo L1 2018-, Peugeot Partner L1 2018-, Toyota Proace City L1 2019-2023, FIAT Doblo L1 2022-, FIAT Doblo L1 2022- без выреза в бампере. Тип шара: A. Нагрузки: 1600/75 кг, масса фаркопа 22,6 кг
Смартконнект - Да
Смартконнект - Да


