Полезные статьи
Читать все статьиТСУ Motodor на Toyota RAV-4 19-
Характеристики товара
Единица измерения:
шт
Остаток на складе:
0
Доступность:
под заказ
13 600
₽
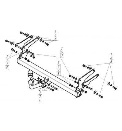
Фаркоп с оцинкованным шаром на Toyota RAV4 2019- без выреза в бампере. Тип шара: A. Нагрузки: 2100/100 кг, масса фаркопа 17,8 кг (без электрики в комплекте)
Смартконнект - Да
Смартконнект - Да


